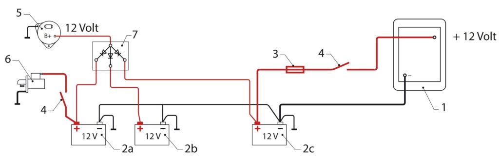
Vetus Proportionele boegschroef selecteren en installeren
DC Boegschroef VS Proportionele Boegschroef
Bij de keuze tussen een Vetus proportionele en een DC-boegschroef draait het vooral om comfort, gebruiksintensiteit en budget. Een traditionele DC-boegschroef werkt met vaste vermogensstanden (aan/uit) en is technisch eenvoudiger opgebouwd. Daardoor ligt de aanschafprijs lager en is het systeem robuust en overzichtelijk in onderhoud. Dit type is ideaal voor pleziervaart waar de boegschroef kort en incidenteel wordt gebruikt.
Een proportionele boegschroef werkt met traploze snelheidsregeling, waardoor je zeer nauwkeurig kunt manoeuvreren. Dat geeft meer controle, minder schokbelasting en vaak ook minder geluid tijdens gebruik. Door de geavanceerdere elektronica ligt de prijs hoger, maar daar staat meer comfort en soepeler vaargedrag tegenover.








