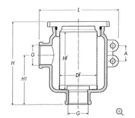
Beschrijving
Koelwaterfilter gemaakt van vernikkeld messing met een doorzichtige deksel en en RVS zeef.
Dit koelwaterfilter met neopreen o-ring, ook wel wierpot genoemd voorkomt vervuiling in het koelwatersyteem.
Voorzien van zij en onder aansluiting
- Capaciteit bij 0,1 bar 2550 L/U
- Capaciteit bij 1 bar 8180 L/U
- Aansluiting 1/2 gasdraad (slangTule niet meegeleverd)
- Hoogte 108 mm







