Beschrijving
Een volledig proportioneel bedienbare boegschroef met ongelimiteerde* ‘run-time’.
Alle functies van de geweldige BOW PRO met een bonus!
Er is een derde aansluiting op de motor, die de stroom naar een interne lader leidt, die de spanning opvoert van 12 tot 24 volt, waardoor een laadbron van 12 volt, zoals de alternator van de aandrijfmotor, een 24 volt batterijbank kan opladen.
Aansluiten van de BOW PRO Direct versterkt met een 24 V-voeding is natuurlijk ook mogelijk.
De ingebouwde lader laadt uw accubank opnieuw op wanneer de boegschroef niet in gebruik is, waardoor de waarde van het gebruik van de BOW PRO Boosted Thruster op uw boot wordt verdubbeld. Aanbevolen batterijformaten voor de BOW PRO Boosted-serie zijn iets groter dan geadviseerd voor conventionele boegschroeven, om ten volle te profiteren van de motorefficiëntie en de resulterende lange bedrijfsduur van deze boegschroeven.
Revolutie
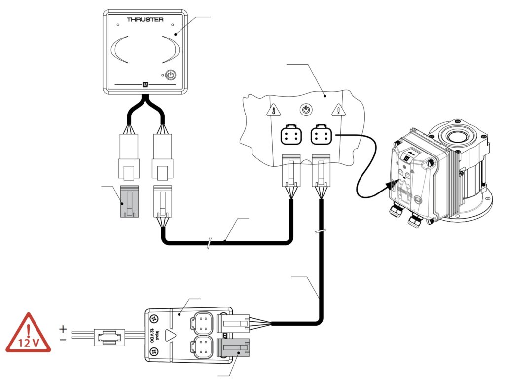
Onze BOW PRO boegschroeven zijn voorzien van bewezen inductietechnologie. Hierdoor is het gebruik van koolborstels overbodig geworden, met als resultaat dat de boegschroef zeer stil is en een ongelimiteerde* run-time heeft. De (AC) inductiemotor wordt aangestuurd door de VETUS MCV motorcontroller. Deze in-huis-ontwikkelde motorcontroller kan overweg met zowel 12 V als 24 V, waardoor deze boegschroeven voor bijna iedere boot geschikt zijn.
Evolutie
De BOW PRO boegschroef wordt aangestuurd door een in-eigen-beheer-ontwikkeld CANBUS protocol. Er zijn twee panelen beschikbaar voor de BOW PRO boegschroefserie; een volledig proportionele basis paneel (BPPPA) en een volledig proportioneel paneel met ‘lock & hold’ functie waardoor manoeuvreren wel heel gemakkelijk wordt. U kunt uw boot aanleggen aan de steiger, zonder dat er lijnen aan te pas komen. Even iemand afzetten op de steiger is nog ooit zo gemakkelijk geweest. Ook aanmeren zonder bemanning behoort tot de opties, omdat u door de ‘lock & hold’ functie zelf de lijnen vast kan leggen. De basis van evolutie is de doorontwikkelingen van goede eigenschappen dus er zijn overeenkomsten met de voorgangers van deze boegschroef; gebleven zijn de zeer stille schroefbladen en het gestroomlijnde staartstuk. Uw boegschroef opwaarderen is zeer eenvoudig omdat de nieuwe motor past op de staartstukken (en sommige flenzen) van onze C & D DC boegschroefserie.
• Proportioneel bedienbaar
• Ongelimiteerde* run-time
• Zonder koolborstels – onderhoudsvrij en optioneel ignition protected
• Hoog rendement (tot 93%)
• Veilig en betrouwbaar
• Makkelijk te installeren en ‘backwards compatible’ met VETUS C & D serie boegschroeven
• De oplossing voor charterboten
| Laadspanning | 12 & 24 volt |
| Motorspanning | 24 volt |
| Stuwkracht | 65 kgf |
| Tunneldiameter | 185 mm |
| Max. inschakelduur | Onbeperkt |







